GE IS200TTURH1CED
  • GE IS200TTURH1CED GE IS200TTURH1CED
  • GE IS200TTURH1CED GE IS200TTURH1CED
  • GE IS200TTURH1CED GE IS200TTURH1CED

GE IS200TTURH1CED

Marka: GE
Açıklama: çıkış terminal kartı
Durum: Yepyeni
Sertifika: COO TEST RAPORU GARANTİ MEKTUBU
Garanti: 1 yıl
Envanter Adeti: 14
Ödeme Süresi: T/T
Nakliye Limanı: Xiamen
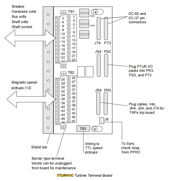
GE IS200TTURH1CED, General Electric tarafından gelişmiş Mark VIe ve Mark VIeS türbin ve proses kontrol sistemleri için tasarlanmış, son derece güvenilir ve emniyetli, türbine özel bir ana açma çıkış terminal kartıdır. Mark VIe dağıtılmış I/O mimarisinin önemli bir güvenlik bileşeni olan bu kartın temel görevi, kontrol cihazından gelen son, geri dönüşü olmayan kapatma komutunu yürütmektir.

Talep Gönder

Ürün Açıklaması

imalat
GE
Model Numarası
IS200TTURH1CED
Sipariş Numarası
IS200TTURH1CED
Katalog
Mark VI
Menşei ülke
Amerika
HS KODU
8479909090
Boyut
233×160 mm
Ağırlık
0,32 kilo

Ürüne Genel Bakış

GE IS200TTURH1CED, General Electric tarafından gelişmiş Mark VIe ve Mark VIeS türbin ve proses kontrol sistemleri için tasarlanmış, son derece güvenilir ve emniyetli, türbine özel bir ana açma çıkış terminal kartıdır. Mark VIe dağıtılmış I/O mimarisinin önemli bir güvenlik bileşeni olan bu kartın temel görevi, kontrol cihazından gelen son, geri dönüşü olmayan kapatma komutunu yürütmektir. IS200TTURH1CED, Proses Türbine Özel Birincil Açma/Kapama işlemci modülünden elektronik sinyaller alır ve dahili olarak entegre edilmiş büyük kapasiteli ve son derece güvenilir elektromanyetik röleler aracılığıyla yakıt kesme valfleri, hidrolik açma solenoid valfleri ve jeneratör devre kesici açma bobinleri gibi temel aktüatörlere güç devrelerini fiziksel olarak keser veya bağlar, böylece gaz türbinleri ve buhar türbinleri gibi temel güç ekipmanlarının güvenli, hızlı ve güvenilir bir şekilde kapatılmasını sağlar. Bu kart sadece bir röle kartı değildir; fiziksel dünyadaki tüm güvenlik enstrümanı sisteminin işlevlerinin nihai uygulayıcısıdır. Tasarımı, Arızaya Karşı Koruma ilkesini takip eder ve personelin, ekipmanın ve çevrenin güvenliğini sağlayan son savunma hattıdır.

Ürün Fonksiyon Özellikleri

Nihai güvenlik işlevinin yürütülmesi - ana yolculuk

TTURH1CED, koruma mantığının son fiziksel yürütme birimidir. Mark VIe kontrol cihazı ekipmanın güvenliğini tehlikeye sokan herhangi bir durum tespit ettiğinde PTUR modülüne bir açma komutu gönderecektir. PTUR daha sonra TTUR panosundaki röleleri harekete geçirerek doğrudan yakıt beslemesini keser veya mekanik bir tetiklemeyi tetikleyerek milisaniyeler içinde acil kapatmayı gerçekleştirir.

Üçlü yedekli mimari desteği

3 kanallı tasarım Mark VIe TMR sistemiyle mükemmel uyum sağlar. Üç bağımsız denetleyici kanalı sırasıyla bir röleyi kontrol eder. Yalnızca en az iki kanal aynı anda bir açma komutu verdiğinde son açma devresi etkinleştirilecektir. Bu tasarım sistemin kullanılabilirliğini ve güvenliğini önemli ölçüde artırır.

Yıkıcı arızaları önleyen yerleşik gelişmiş tanılama

Komut/Geri Bildirim karşılaştırma teşhisi, temel akıllı işlevidir. GE IS200TTURH1CED size yalnızca kontrol ünitesinin alarm vermesini istediğini söylemekle kalmaz, aynı zamanda alarm verdiğini de onaylar. Bu kapalı döngü teşhisi, tek eylemli ve ciddi sonuçları olan kritik bir işlev olan ana açma devresinin uzun vadeli güvenilirliğini sağlamanın temel taşıdır.

Arızaya Karşı Güvenli tasarım

Tüm açma devresinin tasarımı arıza güvenliği ilkesini takip eder. Bu, güç kaybı, kablo kopması veya röle arızası durumunda sistemin otomatik olarak güvenli duruma geçeceği anlamına gelir. Örneğin, yakıt kesme vanası genellikle Arızada Kapalı olarak tasarlanır ve normal çalışma sırasında vanayı açık tutmak için TTUR panosundaki rölelere enerji verilir ve yerinde tutulur; TTUR panosunun gücü kesildiğinde veya bir açma komutu aldığında röleler serbest kalır ve yayın etkisi altında valf kapanır.


İlgili ürün önerileri

Yardımcı G/Ç işlemci modülü

IS200PTURH1A türbine özgü ana gezi I/O işlemci modülü, TTURH1CED'in beynidir.

Önceki nesil ilgili ürün

Mark VI VTUR I/O Kartı + TRPXH1B Terminal Kartı, IS200TTURH1CED, Mark VIe'deki IS200TTURH1CED'in doğrudan öncülüdür.

Kontrollü çalıştırma mekanizması

GE SV8/SV12 yakıt kesme vanası

Hidrolik tetikleme yağı sistemi (Trip Oil System) solenoid valfı

Jeneratör çıkış devre kesicisinin (GCB) tetikleme bobini

Sıcak Etiketler:

İlgili Kategori

Talep Gönder

Lütfen sorgunuzu aşağıdaki formda yapmaktan çekinmeyin. 24 saat içinde size cevap vereceğiz.
X
Size daha iyi bir gezinme deneyimi sunmak, site trafiğini analiz etmek ve içeriği kişiselleştirmek için çerezleri kullanıyoruz. Bu siteyi kullanarak çerez kullanımımızı kabul etmiş olursunuz. Gizlilik Politikası
Reddetmek Kabul etmek