GE IS200TBAIH1CDD
  • GE IS200TBAIH1CDD GE IS200TBAIH1CDD
  • GE IS200TBAIH1CDD GE IS200TBAIH1CDD
  • GE IS200TBAIH1CDD GE IS200TBAIH1CDD

GE IS200TBAIH1CDD

GE IS200TBAIH1CDD, General Electric tarafından gelişmiş Mark VIe ve Mark VIeS türbin ve proses kontrol sistemleri için tasarlanmış 16 kanallı bir analog giriş terminal kartıdır. Bu kart, Mark VIe I/O sistem mimarisinde önemli bir fiziksel arayüz bileşenidir.

Talep Gönder

Ürün Açıklaması

imalat
GE
Model Numarası
IS200TBAIH1CDD
Seri
Mark VIe
Menşei ülke
Amerika
HS KODU
8504902000
Boyut
20*5*5 cm
Ambalaj Boyutu
20*5*5 cm
Ağırlık
0,7 kg

Ürüne Genel Bakış

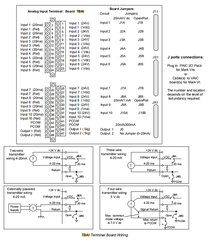
GE IS200TBAIH1CDD, General Electric tarafından gelişmiş Mark VIe ve Mark VIeS türbin ve proses kontrol sistemleri için tasarlanmış 16 kanallı bir analog giriş terminal kartıdır. Bu kart, Mark VIe I/O sistem mimarisinde önemli bir fiziksel arayüz bileşenidir. Temel işlev, saha cihazları ile kontrol sisteminin dahili G/Ç işleme modülleri arasında güvenli, güvenilir ve standartlaştırılmış bir elektrik bağlantısı kurmaktır. IS200TBAIH1CDD, sinyal işleme veya dönüştürme gerçekleştirmez. Güçsüz, yüksek yoğunluklu bir kablolama merkezidir. Sahadan gelen 4-20mA veya ±10V DC gibi standart analog sinyaller, blendajlı kablolar aracılığıyla bu terminal panosuna bağlanır ve ardından sinyaller, özel, yüksek yoğunluklu bir şerit kablo aracılığıyla kontrol kabininin G/Ç rafına kurulu VAIC modülüne iletilir. Bu "terminal kartı + şerit kablo + I/O kartı" ile ayrılmış tasarım, Mark VIe sisteminin ayırt edici bir özelliği olup, yerinde kablolamayı, sistem bakımını ve arıza gidermeyi önemli ölçüde basitleştirir.

Ürün Özellikleri ve Avantajları

Sistem güvenilirliğinin temel taşı olan "fiziksel katman" ile "elektronik katman" arasında tam bir ayrım sağlanması

Endüstriyel ortamlarda kablolama hataları, kablo kısa devreleri ve indüklenen voltaj dalgalanmaları yaygın arıza kaynaklarıdır. TBAI, pasif bir terminal kartı olarak ilk "güvenlik duvarı" görevi görür. Saha tarafında meydana gelen herhangi bir elektrik arızası, terminal kartı ve ona bağlı kablolarla sınırlı olacak ve pahalı ve hassas VAIC I/O işlemci modülüne doğrudan yayılmayacaktır. Terminal panosu aşırı koşullar nedeniyle hasar görse bile, değiştirme maliyeti ve süresi, karmaşık sinyal koşullandırma devrelerini ve ADC yongalarını entegre eden bir G/Ç kartını değiştirmekten çok daha düşüktür.

Yüksek gürültülü saha kablolama alanının düşük gürültülü kontrol elektroniği alanından fiziksel olarak ayrılmasıyla Mark VIe sisteminin EMC tasarımı basitleştirilmiştir. VAIC modülü, kontrol kabini içinde daha temiz ve daha iyi korumalı bir konuma yerleştirilebilirken, TBAI kartı tüm kirli saha bağlantılarını yönetir. Bu bölümleme stratejisi, tüm I/O sisteminin parazit önleme özelliğini önemli ölçüde artırır.

Devrim niteliğindeki kabin dışı bakım modu, operasyonel verimliliğin çarpanıdır

GE IS200TBAIH1CDD, projenin devreye alınmasından günlük denetimlere, arıza yönetimine ve ekipmanın büyük revizyonlarına kadar tüm yaşam döngüsü boyunca bakım dostudur. Bakım personelinin ana kontrol kabini kapısını açmasına neredeyse hiç gerek yoktur. Cihaz mühendisleri terminal panosundaki tüm görevleri bağımsız olarak tamamlayabilirler:

Sinyal enjeksiyonu, terminal panosundan HMI'ya kadar tüm sinyal zincirinin normal olup olmadığını doğrulamak amacıyla terminale standart 4-20 mA sinyali enjekte etmek için bir sinyal üreteci kullanır.

Kontrol sisteminin çalışmasını etkilemeden saha vericisinin sıfır noktasını/aralığını kalibre etmek için cihazın çıkış hattını ayırın ve kalibrasyon cihazını doğrudan terminale bağlayın.

Bir AI sinyali anormal olduğunda mühendis ilk olarak terminal panosundaki sinyali ölçer. Sinyal normal ise sorun sistem tarafındadır; sinyal anormalse sorun saha tarafındadır. Bu "ikili konumlandırma yöntemi" ortalama arıza onarım süresini %50'den fazla azaltır.

Çalışırken değiştirme işlemleri desteği Yedek VAIC modülleri ile yapılandırılmış Mark VIe sistemlerinde, TBAI terminal kartının kendisinin değiştirilmesi gerekiyorsa, bükümlü kablodan ayrılabilir ve sistem çalışırken değiştirilebilir, böylece sıkı güvenlik prosedürleri izlenerek gerçek "sıfır kesinti süresi" bakımı sağlanır.



Ürün evrimi ve teknolojik gelişme

GE I/O mimarisinin evrimi, entegrasyondan ayrılığa ve ardından zekaya giden yolu açıkça göstermektedir:

DCS/PLC'nin ilk günlerinde yaygın yaklaşım, bakımı zor ve yüksek risk taşıyan I/O kartlarını doğrudan bağlamaktı.

Mark VIe döneminde yenilikçi, tamamen ayrılmış bir I/O mimarisi tanıtıldı. TBAI/TBAO terminal kartlarının ortaya çıkışı, mühendislik uygulamalarında sürdürülebilirlik ve güvenilirlik konusundaki aşırı çabanın sonucuydu. Bu tasarım konseptinin çok başarılı olduğu kanıtlandı ve diğer birçok üst düzey DCS üreticisi tarafından benimsendi.

Mevcut ve gelecekteki Mark VIeS ve Ötesi:

Mimari, Mark VIeS sisteminin tamamen devralınan olgun ve güvenilir ayrık mimarisini sürdürüyor. TBAI terminal panosunun rolü değişmedi.

Akıllı terminaller şu anda pasif olsa da endüstri eğilimi aktif akıllı terminallere doğru gidiyor. Gelecekteki terminal panoları, yalnızca ana sinyalleri iletmekle kalmayıp aynı zamanda cihazların teşhis ve konfigürasyon bilgilerini de okuyabilen IO-Link ana istasyonlarını veya HART çoklayıcılarını entegre edebilir.

Kablosuzlaştırma takviyeleri, kritik olmayan veya kablo bağlantısı zor olan izleme noktaları içindir. Kablosuz vericiler, kablolu TBAI'ye güçlü bir destek haline geliyor ancak kritik kontrol döngüleri hâlâ çoğunlukla kablolu olacak.


Sıcak Etiketler:

İlgili Kategori

Talep Gönder

Lütfen sorgunuzu aşağıdaki formda yapmaktan çekinmeyin. 24 saat içinde size cevap vereceğiz.
X
Size daha iyi bir gezinme deneyimi sunmak, site trafiğini analiz etmek ve içeriği kişiselleştirmek için çerezleri kullanıyoruz. Bu siteyi kullanarak çerez kullanımımızı kabul etmiş olursunuz. Gizlilik Politikası
Reddetmek Kabul etmek